首页 > HAMAMATSU滨松 > HAMAMATSU 滨松 P4247-44 InSb 光伏元件
    HAMAMATSU 滨松  P4247-44  InSb 光伏元件
    • HAMAMATSU 滨松  P4247-44  InSb 光伏元件

    HAMAMATSU 滨松 P4247-44 InSb 光伏元件

    HAMAMATSU 滨松 P4247-44 InSb 光伏元件

    高速响应、低噪声光伏元件

    马上咨询
    客服电话
    13246646513 13682357549

    0755-83317701 0755-84670052

    HAMAMATSU 滨松  P4247-44  InSb 光伏元件

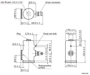
    受光面0.45 x 0.45 mm
    像元数4×4
    封装金属杜瓦
    制冷液氮
    上升时间(典型值)60 ns
    测量条件Td = -196°C,检测率 D*:λ = λp,fc = 1200 Hz,Δf = 1 Hz


    0755-83317701 0755-84670052   手机/微信:13246646513 13682357549   QQ:564600083 672776553    Email:564600083@qq.com  672776553@qq.com

    常见问题

    产品出现质量问题怎么办?
    您好,我们的产品都有质量保证的,一般都不会出现质量问题。如果收到货后,一个月内出现质量问题,且非人为损坏的,我们这边是可以包换的。
    在线客服