首页 > HAMAMATSU滨松 > HAMAMATSU 滨松 R1513 光电倍增管
    HAMAMATSU  滨松   R1513  光电倍增管
    • HAMAMATSU  滨松   R1513  光电倍增管

    HAMAMATSU 滨松 R1513 光电倍增管

    HAMAMATSU 滨松 R1513 光电倍增管

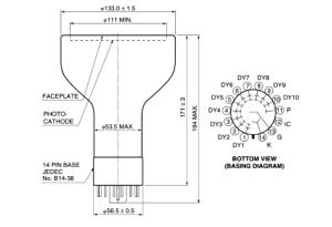
    133 mm 直径,端窗型,多碱光阴极面(有效面积:111 mm 直径/光谱灵敏度特性:300 至 850 nm)

    马上咨询
    客服电话
    13246646513 13682357549

    0755-83317701 0755-84670052

    HAMAMATSU  滨松   R1513  光电倍增管

    类型端窗型
    管子尺寸127 mm 直径
    光阴极面区域形状圆形
    光阴极面区域尺寸111 mm 直径
    波长(短)300 nm
    波长(长)850 nm
    波长(峰值)420 nm
    光谱灵敏度特性曲线代码500K
    光阴极面材料多碱
    窗材硼硅玻璃
    倍增器电极结构软百叶窗
    倍增器电极级数10
    [Max. Rating] 阳极至阴极电压2000 V
    [Max. Rating] 平均阳极电流0.1 mA
    阳极至阴极电源电压1500 V
    [Cathode] 亮度灵敏度最小值100 μA/lm
    [Cathode] 亮度灵敏度典型值150 μA/lm
    [Cathode] 红白比 (R-68) 典型值0.2
    [Cathode] 辐射灵敏度典型值64 mA/W
    [Anode] 亮度灵敏度最小值10 A/lm
    [Anode] 亮度灵敏度典型值50 A/lm
    [Anode] 辐射灵敏度典型值2.1 x 104 A/W
    [Anode] 增益率典型值3.3 x 105
    [Anode] 暗电流(30 分钟后) 典型值30 nA
    [Anode] 暗电流(30 分钟后) 最大值150 nA
    [Time Response] 上升时间典型值15 ns
    [Time Response] 渡越时间典型值82 ns

    0755-83317701 0755-84670052   手机/微信:13246646513 13682357549   QQ:564600083 672776553    Email:564600083@qq.com  672776553@qq.com

     

    常见问题

    产品出现质量问题怎么办?
    您好,我们的产品都有质量保证的,一般都不会出现质量问题。如果收到货后,一个月内出现质量问题,且非人为损坏的,我们这边是可以包换的。
    在线客服