首页 > NED > NED RCDL2K20CL 线扫描相机
    NED   RCDL2K20CL   线扫描相机
    • NED   RCDL2K20CL   线扫描相机

    NED RCDL2K20CL 线扫描相机

    NED RCDL2K20CL 线扫描相机
    马上咨询
    客服电话
    13246646513 13682357549

    0755-83317701 0755-84670052

    NED   RCDL2K20CL   线扫描相机

    特征

    界面

    相机链接

    单色/彩色

    颜色

    像素数

    2048像素

    线路速率

    20kHz
    • 2048像素相当于14μm的彩色线扫描相机
    • 采用拜耳阵列彩色线传感器,7μm 4096 像素 x 2
    • 输出格式为2048像素,R、G、B 8bit,3TAP输出
    • 相机链接基础配置
    • 配备片内AD转换(8bit)
    • 使用增益、偏移和外部软件轻松确定和更改
    • 兼容Camera Link输出,方便连接各种图像输入板卡
    • 单12-15V工作电源
    • 可以纠正位之间的变化和阴影
    • 相机接口为标准F接口

    型号详情

    无安装
    RCDL2K20CL-V1-0
    F接口
    RCDL2K20CL-V1-F

    内部规格

    像素数
    2048像素
    单色/彩色
    颜色
    像素尺寸 HxV (μm)
    14 x 7 微米
    元件长度(毫米)
    28.672毫米
    数据速率(兆赫)
    45兆赫
    位深度
    24位RGB
    水龙头
    3
    灵敏度 (V/[lx・s])typ.
    60
    *模拟5V输出转换值
    增益调节范围
    *模拟放大器+数字
    模拟量:x1~x10(8级)
    RGB 通用:x1~x2(512 步)
    RGB 单独:x1~x3(1023 步)
    数字偏置调整范围(DN)
    RGB 通用:-40~40(161 级)
    RGB 单独:-20~20(81 级)

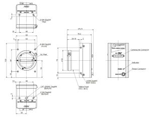
    外形规格

    外形尺寸宽x高x深(mm)
    60x100x76毫米
    重量(克)
    380克
    镜头卡口
    F

    输出格式和连接器

    输出格式
    Camera Link 底座 (8bit/3tap)
    控制输入端口
    CC1:外部触发信号
    CC2-4:未使用
    连接器
    数据、控制:
    电源供应:
    3M:MDR26 [相机连接] x 1
    广濑:HR10G(6针)

    电源及运行环境

    电源电压(V)
    DC12~15[±5%]V
    电流消耗 (mA) 典型值
    300毫安
    工作温度范围(℃)
    0~50℃
    *1 DN:数字(10 位:0-1023)
    *2 室温测量值

    0755-83317701 0755-84670052   手机/微信:13246646513 13682357549   QQ:564600083 672776553    Email:564600083@qq.com  672776553@qq.com

    常见问题

    产品出现质量问题怎么办?
    您好,我们的产品都有质量保证的,一般都不会出现质量问题。如果收到货后,一个月内出现质量问题,且非人为损坏的,我们这边是可以包换的。
    在线客服