首页 > MORITEX茉丽特 > MORITEX 茉丽特 MSCL-CR39 模拟同轴光源
    MORITEX    茉丽特   MSCL-CR39  模拟同轴光源

    MORITEX 茉丽特 MSCL-CR39 模拟同轴光源

    MORITEX 茉丽特 MSCL-CR39 模拟同轴光源

    这些产品专为使用我们的MML系列远心镜头和其它无同轴光源的镜头而设计,可提供均匀的模拟同轴光线.

    马上咨询
    客服电话
    13246646513 13682357549

    0755-83317701 0755-84670052

    MORITEX    茉丽特   MSCL-CR39  模拟同轴光源

    产品描述

    规格

    • 规格
    • MSCL-CR39
    • 颜色
    • 红色
    • 最大额定电流(A)
    • 0.16
    • 盒高(mm)
    • 39
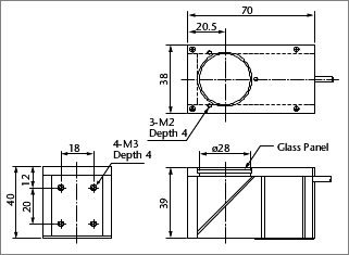
    • 发光区域(mm)
    • φ28
    • 重量(g)
    • 160
    • 应用
    • 非远心镜头专用模拟同轴光源
    • 光学路径延长(mm)
    • 1.2

    外观图

    0755-83317701 0755-84670052   手机/微信:13246646513 13682357549   QQ:564600083 672776553    Email:564600083@qq.com  672776553@qq.com

    常见问题

    产品出现质量问题怎么办?
    您好,我们的产品都有质量保证的,一般都不会出现质量问题。如果收到货后,一个月内出现质量问题,且非人为损坏的,我们这边是可以包换的。
    在线客服