首页 > CCS希希爱视 > CCS希希爱视 PD2-3012-2(A) 数字电源
    CCS希希爱视   PD2-3012-2(A)   数字电源
    • CCS希希爱视   PD2-3012-2(A)   数字电源

    CCS希希爱视 PD2-3012-2(A) 数字电源

    CCS希希爱视 PD2-3012-2(A) 数字电源
    马上咨询
    客服电话
    13246646513 13682357549

    0755-83317701 0755-84670052

    CCS希希爱视   PD2-3012-2(A)   数字电源

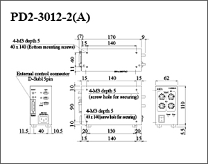
    外观尺寸W 62mm x D 170mm x H 110mm
    适合光源(输出定额)12 V/28 W
    通道数2 channels
    发光方式常时发光
    驱动方式Constant lighting
    调光方式PWM control
    PWN频率62.5 kHz
    输入电压100 to 240 VAC
    频率50/60 Hz
    消耗功率78 VA typ.
    输出电压12 VDC
    输出电流2.3 A (total for 2 channels)
    涌入电流(typ)15 A (at 100 VAC) *From a cold start
    调光Use of the intensity control knobs on the front panel (Coarse and Fine, 16 steps for each knob)
    错误检测显示The Error indicator lamp on the front panel is lit when overcurrent is detected
    错误检测输出External control connector pin 14(OCP): Open in normal condition, Open-collector ON when an overcurrent is detected
    过电流保护Operates at 107% min. Automatically reset, or manually reset by turning power OFF then ON again.
    外部控制输入Insulation: Not insulated with a Control Unit
    Circuit: Pull-up of +5 V internally by use of resistor (4.7 kΩ), HS-CMOS input
    输出端口SMP-02V-BC (1: Output(+), 2: Output (-)) x 2
    SMP-04V-BC (1: Output(+), 2: NC, 3: Output(-), 4: Fan(GND))
    外部控制端口Manual ON/OFF control: Phone jack (Φ3.5) x 2
    External control: 15-pin D-sub plug with M2.6 mm screws
    适合规格CE, UKCA, RoHS
    使用温湿度Temperature: 0 to 40°C, Humidity: 20 to 85%RH (no condensation)
    保存温湿度Temperature: -20 to 60°C, Humidity: 20 to 85%RH (no condensation)
    冷却方式Natural air cooling
    重量1,100 g max.
    材质Steel plate t1.0
    附属品2m long 3-prong AC power cord with ground terminal, Instruction Guide, Optional Cable Operation Guide
    注意事项The light connector is 2-pin.

    0755-83317701 0755-84670052   手机/微信:13246646513 13682357549   QQ:564600083 672776553    Email:564600083@qq.com  672776553@qq.com

    常见问题

    产品出现质量问题怎么办?
    您好,我们的产品都有质量保证的,一般都不会出现质量问题。如果收到货后,一个月内出现质量问题,且非人为损坏的,我们这边是可以包换的。
    在线客服