首页 > CCS希希爱视 > CCS希希爱视 SE-65VT08 远心镜头
    CCS希希爱视   SE-65VT08  远心镜头
    • CCS希希爱视   SE-65VT08  远心镜头

    CCS希希爱视 SE-65VT08 远心镜头

    CCS希希爱视 SE-65VT08 远心镜头
    马上咨询
    客服电话
    13246646513 13682357549

    0755-83317701 0755-84670052

    CCS希希爱视   SE-65VT08  远心镜头

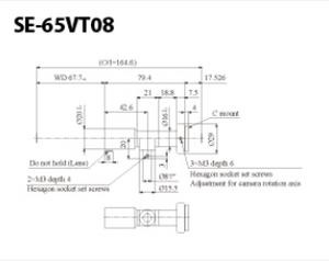
    外观尺寸Outer diameter 20 mm
    光学倍率x0.8
    WD67.7±2 mm
    景深1.85 mm
    光学分辨率12.4 μm
    NA0.027
    有效F值(Fe)14.9
    TV失真-0.03%
    物像间距离164.6 mm
    相机支架C mount
    最大适用图像传感器尺寸1/1.8 inch
    视野(图像传感器尺寸)
    适合规格RoHS
    使用温湿度Temperature: 0 to 40℃, Humidity: 85%RH
    (with no condensation)
    保存温湿度Temperature: -20 to 60℃ (with no condensation)
    重量50 g max.
    附属品使用说明书
    备注Coaxial type.
    The depth of field is obtained with 40 μm permissible circle of confusion.
    The resolving power was obtained at a wavelength of 550 nm.
    These specifications are numeric values based on optical design.
    Actual values will vary with physical factors such as the assembly accuracy.

    0755-83317701 0755-84670052   手机/微信:13246646513 13682357549   QQ:564600083 672776553    Email:564600083@qq.com  672776553@qq.com

    常见问题

    产品出现质量问题怎么办?
    您好,我们的产品都有质量保证的,一般都不会出现质量问题。如果收到货后,一个月内出现质量问题,且非人为损坏的,我们这边是可以包换的。
    在线客服