首页 > HAMAMATSU滨松 > HAMAMATSU 滨松 S3924-256Q NMOS 线阵图像传感器
    HAMAMATSU 滨松  S3924-256Q   NMOS 线阵图像传感器
    • HAMAMATSU 滨松  S3924-256Q   NMOS 线阵图像传感器

    HAMAMATSU 滨松 S3924-256Q NMOS 线阵图像传感器

    HAMAMATSU 滨松 S3924-256Q NMOS 线阵图像传感器

    带电流积分读出电路和阻抗转换电路的电压输出型

    马上咨询
    客服电话
    13246646513 13682357549

    0755-83317701 0755-84670052

    HAMAMATSU 滨松  S3924-256Q   NMOS 线阵图像传感器

    类型电压输出类型
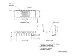
    影像尺寸6.4 x 2.5 mm
    有效像素数256 x 1 像素
    像素尺寸25 x 2500 μm
    光谱响应范围200 至 1000 nm
    行速率(最大值)1950 行/秒
    制冷非冷却型
    窗材石英
    封装陶瓷
    测量条件典型值 Ta = 25°C,除非另有说明
    饱和电荷量:复位 V = 2.5 V,Vdd = 5.0 V,Vφ = 5.0 V

    0755-83317701 0755-84670052   手机/微信:13246646513 13682357549   QQ:564600083 672776553    Email:564600083@qq.com  672776553@qq.com

    常见问题

    产品出现质量问题怎么办?
    您好,我们的产品都有质量保证的,一般都不会出现质量问题。如果收到货后,一个月内出现质量问题,且非人为损坏的,我们这边是可以包换的。
    在线客服