首页 > MORITEX茉丽特 > MORITEX 茉丽特 CV-NFL-27X27W2 窄角度背光
    MORITEX    茉丽特   CV-NFL-27X27W2   窄角度背光

    MORITEX 茉丽特 CV-NFL-27X27W2 窄角度背光

    MORITEX 茉丽特 CV-NFL-27X27W2 窄角度背光

    窄角度背光是将发光面上方向的发光指向性设计得比以前更强的背光. 因为可以减低向工件侧面的光的衍射,所以能够高精度地捕捉工件轮廓形状. 通过和超大视野双侧远心镜头「MTL系列」的匹配,可适用于高精度图像测量.

    马上咨询
    客服电话
    13246646513 13682357549

    0755-83317701 0755-84670052

    MORITEX    茉丽特   CV-NFL-27X27W2   窄角度背光

    产品描述


    规格

    • 规格
    • CV-NFL-27X27W
    • 发光颜色
    • 白色
    • 功率(W)
    • 1.7
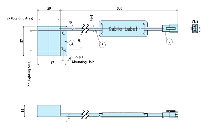
    • 外径(长)(mm)
    • 37
    • 外径(宽)(mm)
    • 37
    • 厚度(mm)
    • 15
    • 发光面尺寸(长)(mm)
    • 27
    • 发光面尺寸(宽)(mm)
    • 27

    外观图

    光源结构

    0755-83317701 0755-84670052   手机/微信:13246646513 13682357549   QQ:564600083 672776553    Email:564600083@qq.com  672776553@qq.com

    常见问题

    产品出现质量问题怎么办?
    您好,我们的产品都有质量保证的,一般都不会出现质量问题。如果收到货后,一个月内出现质量问题,且非人为损坏的,我们这边是可以包换的。
    在线客服