MORITEX 茉丽特 MLEP-B070W2LR-100V LED控制器
规格
- 规格
- MLEP-B070W2LR-100V
- 电压类型
- 100 V
- 输出
- 双通道输出: 每通道350mA/700mA
- 输入电压
- AC100 - 240V 50/60Hz
- 输入电流
- 0.11/0.07A (at AC100/240V)
- 浪涌电流
- 16/40A or less (at AC100/240V)
- 使用温度
- 0~+45C°
- 输出方式
- 直流持续输出
- 输出控制方式
- 恒流控制(可变电流)
- 外部光强控制功能
- 带 (0-5V光强控制)
- 照明开关功能
- 是(绝缘型光电耦合器)
- 散热方法
- 自然散热
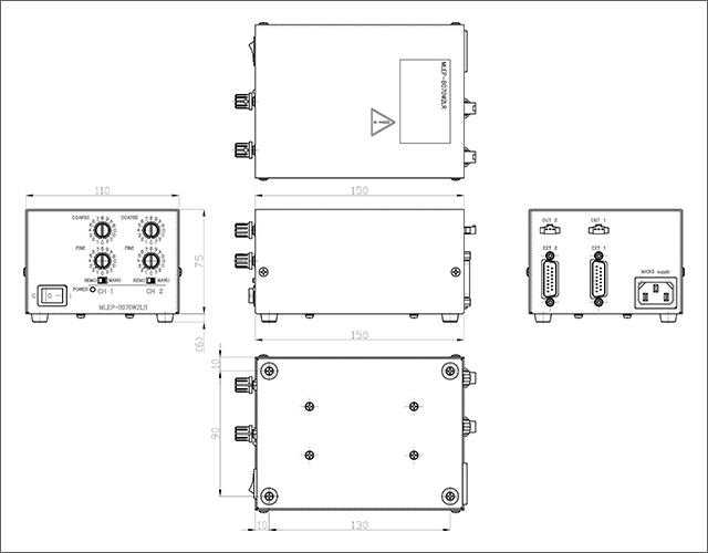
- 安装方法
- 水平安装在橡胶脚垫上
- 重量(g)
- 约0.9KG
外观图
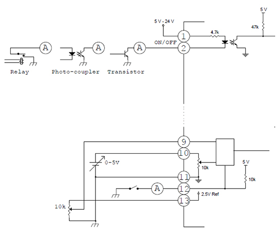
连接参数
- NO.
- 名称
- 1
- Output ON/OFF signal+
- 2
- Output ON/OFF signal-
- 3
- NC
- 4
- NC
- 5
- NC
- 6
- NC
- 7
- NC
- 8
- NC
- 9
- External VR intensity control signal input
- 10
- External 0-5V analog light intensity control signal input
- 11
- External input GND
- 12
- External 0-5V / External VR input Switch
- 13
- DC2.5V / Bias power output
- 14
- NC
- 15
- NC
输入/输出 电路连接示例
0755-83317701 0755-84670052 手机/微信:13246646513 13682357549 QQ:564600083 672776553 Email:564600083@qq.com 672776553@qq.com
常见问题
您好,我们的产品都有质量保证的,一般都不会出现质量问题。如果收到货后,一个月内出现质量问题,且非人为损坏的,我们这边是可以包换的。