LELMAC 雷马克 IRLMAR-110 机器人灯光照明

| 模型 | IRLMAR-110W | IRLMAR-110R | IRLMAR-110B |
|---|---|---|---|
| 产品编号 | 145-020 | 145-021 | 145-022 |
| 发光颜色 | ![]() | ![]() | ![]() |
| 色温/峰值波长 | 7000K 典型值 | 634nm(典型值) | 465nm(典型值) |
| 输入电压 | 直流12V | ||
| 能量消耗 | 6.7W | 6.6W | 6.2W |
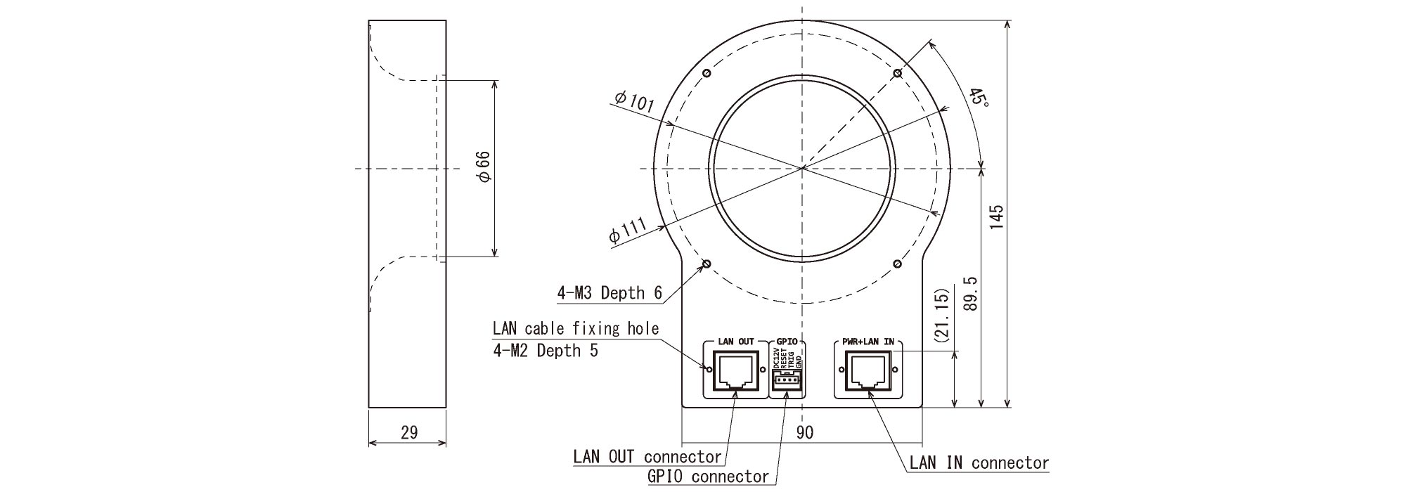
| 电缆长度 | 500毫米 | ||
| 输入连接器 | RJ-45 连接器 PHR-4 | ||
| 工作温度 | 0~+40℃ | ||
| 工作湿度 | 35-85%(非冷凝) | ||
| 大量的 | 待定 | ||
| 兼容标准 | (EN55011、EN61000-6-2) | ||
| RoHS指令 | ![]() | ||
| 中国RoHS | ![]() | ||
*重量包含误差。
0755-83317701 0755-84670052 手机/微信:13246646513 13682357549 QQ:564600083 672776553 Email:564600083@qq.com 672776553@qq.com